公司网站群
艾迪精密
艾迪传动
艾创科技
亿恩新动力
艾迪锐能
en
首页
关于我们
公司介绍
发展历程
企业文化
企业风采
产品中心
泵
阀
马达
分动箱
电机及控制器
电池
行业应用
工程机械
农林市政
海洋工程
服务中心
全球服务网络
服务政策
产品知识
新闻媒体
人力资源
人才政策
职位招聘
联系我们
首页
关于我们
公司介绍
发展历程
企业文化
企业风采
产品中心
泵
阀
马达
分动箱
电机及控制器
电池
行业应用
工程机械
农林市政
海洋工程
服务中心
全球服务网络
服务政策
产品知识
新闻媒体
人力资源
人才政策
职位招聘
联系我们
产品中心
Product Center
泵
斜盘式
38
阀
电控
3
正/负流量
4
节流
8
阀后补偿
4
阀前补偿
1
马达
行走马达总成
29
回转马达总成
21
摆线马达
7
斜轴马达
6
减速机
14
分动箱
电机及控制器
电池
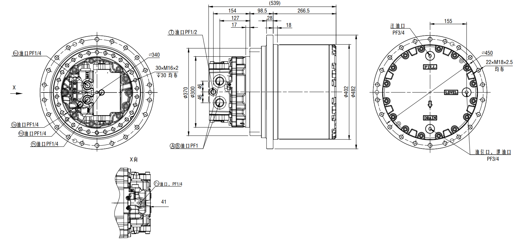
FTM40A
返回列表
主要参数
排量:170/101.9 (cc/rev)
输出扭矩:40133/24056(N·m)
应用:
中型挖掘机
资料下载
FTM40A液压原理图
技术规格
安装尺寸图
型号
排量
(cc/rev)
减速比
(i)
额定压力
(MPa)
输出转速
(rpm)
输出扭矩
(N·m)
重量
(kg)
应用
(t)
FTM40A
170/101.9
43.246
34.3
33.4/55.8
40133/24056
293
18-22t挖机