公司网站群
艾迪精密
艾迪传动
艾创科技
亿恩新动力
艾迪锐能
en
首页
关于我们
公司介绍
发展历程
企业文化
企业风采
产品中心
泵
阀
马达
分动箱
电机及控制器
电池
行业应用
工程机械
农林市政
海洋工程
服务中心
全球服务网络
服务政策
产品知识
新闻媒体
人力资源
人才政策
职位招聘
联系我们
首页
关于我们
公司介绍
发展历程
企业文化
企业风采
产品中心
泵
阀
马达
分动箱
电机及控制器
电池
行业应用
工程机械
农林市政
海洋工程
服务中心
全球服务网络
服务政策
产品知识
新闻媒体
人力资源
人才政策
职位招聘
联系我们
产品中心
Product Center
泵
斜盘式
38
阀
电控
3
正/负流量
4
节流
8
阀后补偿
4
阀前补偿
1
马达
行走马达总成
29
回转马达总成
21
摆线马达
7
斜轴马达
6
减速机
15
分动箱
电机及控制器
电池
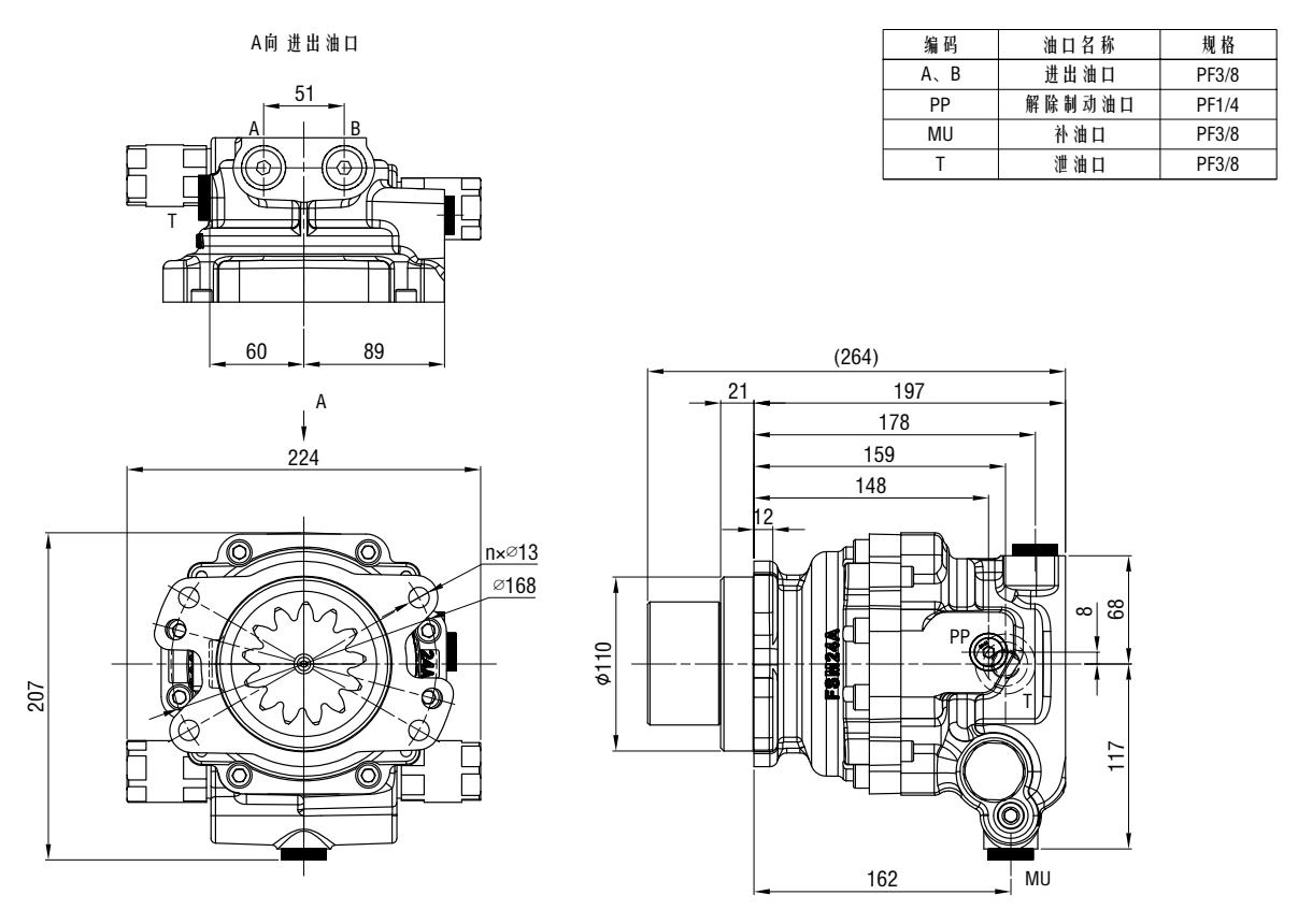
FSM24A
返回列表
主要参数
排量:23.6(cc/rev)
输出扭矩:527(N·m)
应用:
微型挖掘机
资料下载
FSM24A 液压原理图
技术规格
安装尺寸图
型号
液压马达
减速机
重量(kg)
应用(t)
排量(cc/rev)
输出转速(rpm)
最大流量(L/min)
额定压力(MPa)
制动扭矩(N·m)
传动比(i)
输出扭矩(N·m)
输出转速(rpm)
FSM24A
23.6
579
14
16.2
68.4
10
527
58
22
1-2t挖机